معمولا جهت راه اندازی الکتروموتورها از دو روش زیر استفاده می شود:

1:راه اندازی مستقیم و یا DOL(direct online)

2: راه اندازی نرم یا سافت استارت

هنگامی راه اندازی اولیه موتور جریان مصرفی ؛ بسیار بیشتر از جریان حالت دائم بوده و می تواند تا حدود 6 برابر جریان حالت دائم باشد.

موارد کاربرد و نحوه اتصال سافت استارتر

این جریان هجومی اولیه موجب ایجاد یک گشتاور شدید و لحظه ای شده که می تواند به مرور زمان به موتور و قطعات مکانیکی متصل به آن آسیب وارد کرده و در نهایت عمر متوسط این تجهیزات را کاهش دهد.از طرف دیگر ممکن است برق کارخانه و یا محل نصب موتور نتواند جریان مورد نیاز را تحمل کرده و یا افت ولتاژ لحظه ای ایجاد شده در کار سایر دستگاه های موجود اختلال ایجاد کند.در اینجاست که وظیفه دستگاه سافت استارتر مشخص می شود.به کمک دستگاه سافت استارتر می توان جریان راه اندازی اولیه موتور را به مقدار مشخص تعریف نمود در این حالت دستگاه سافت استارتر اجازه نخواهد داد جریان راه اندازی اولیه موتور بیش از حداکثر جریان تعیین شده توسط کاربر باشد در نتیجه بدین طریق جریان هجومی اولیه تا حدود زیادی کاهش یافته و از ایجاد مشکلاتی که در بالا به آنها اشاره شد جلوگیری خواهد شد.البته استفاده از سافت استارتر برای موتورهای با توان پایین چندان مرسوم نبوده و در نتیجه در بسیاری از موارد شاهد راه اندازی این نوع الکتروموتورها به روش راه اندازی مستقیم؛هستیم.

در بسیاری از سافت استارترهای مرغوب از 6 عدد تریستور برای راه اندازی اولیه موتور استفاده می شود گرچه در بسیاری از مدل های ارزان قیمت ممکن است برای کاهش قیمت تمام شده از 4 عدد تریستور استفاده شود.

 تریستورها در هنگام راه‌اندازی مانع رسیدن بخش بزرگی از ولتاژ تغذیه به موتور شده و به تدریج ولتاژ را افزایش می دهند تا نهایتاً موتور به ولتاژ نامی خود برسد. این راه‌اندازها روش‌هایی برای تنظیم مدت‌زمان رسیدن به ولتاژ کامل و شیب افزایش ولتاژ را دارا هستند. به طور معمول جریان راه‌اندازی به گونه‌ای کنترل می‌شود که از سه‌برابر جریان بار کامل تجاوز نکند و مدت‌زمانی راه‌اندازی نزدیک به ۳۰ ثانیه است. پس از دورگرفتن موتور تریستورهای مزبور با استفاده از یک کنتاکتور به طور کامل از مدار خارج می شوند.در این حالت موتور به طور مستقیم به برق شهر متصل است .

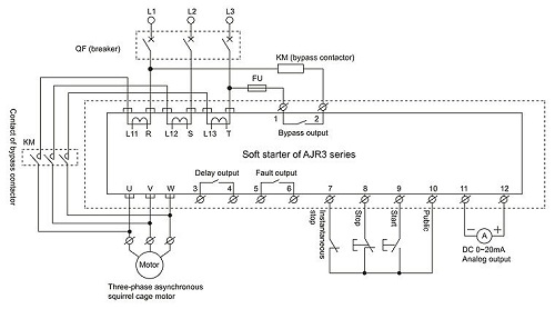
شکل زیر شمای فنی اتصال سافت استارتر به موتور را نشان می دهد.

نقشه فنی اتصال سافت استارتر به موتورسه فاز